Anleitungen MicroGuard-IoT
Allgemeine Hinweise
Der Autor behält sich das Recht vor, die in diesem Dokument enthaltenen Angaben ohne vorangehende Ankündigung zu verändern, zu löschen oder zu ergänzen. Es besteht kein Anspruch auf Vollständigkeit der gemachten Angaben.
Dieses Dokument darf ohne vorherige schriftliche Genehmigung des Autors weder im Ganzen noch in Teilen mechanisch oder elektronisch
reproduziert, übersetzt oder in maschinenlesbarer Form gespeichert
werden. Alle Marken und Produktnamen sind eingetragene Marken und das Eigentum der jeweiligen Markeninhaber. Der Autor übernimmt keine Haftung für in diesem Dokument enthaltene Fehler. Abbildungen stimmen unter Umständen nicht exakt mit den tatsächlichen Gegenständen überein.
Haftungsausschluss: Der Autor schließt sämtliche Haftung in Bezug auf Verletzung der Urheberrechte Dritter, die aus der Verwendung des in diesem Dokument beschriebenen Produkts unter anderen als in diesem Dokument angegebenen Bedingungen resultieren können, aus, so weit dies gesetzlich möglich ist.
Copyright: © WIATEC GMBH
Urheberrechte der Bilder: istockphoto.com, wiatec gmbh
Systemversion: MicroGuard-IoT, Hardware 1.0
E-Mail: gmbh@wiatec.eu
Generelle Produkteigenschaften
Das MicroGuard-IoT System kann in zwei Versionen bezogen werden:
- eine WiFi/WLAN-Variante für stationäre Verwendung bei existierender und dauerhaft verfügbarer WiFi/WLAN Infrastruktur,
- eine Mobilfunk-Variante für mobile Applikationen oder für Verwendung an Orten ohne dauerhaft verfügbare WiFi/WLAN Infrastruktur.
Die Mobilfunk-Variante nutzt die neuesten Mobilfunkstandards (NB-IoT, LTE CATM) für die Datenübertragung und ist zukunftssicher definiert. Das System ist von Grund auf sehr flexibel und fällt auf die älteren Standards (GSM/UMTS/LTE) zurück, falls die modernste IoT Infrastruktur noch nicht verfügbar ist.

Zum Austausch der Daten zwischen dem MicroGuard-IoT System und dem Nutzer (Web-App auf dem Smartphone oder am PC) wird ein wiatec Firmenserver verwendet, der den Datentransfer bedient und einige Daten lokal auf dem Server speichert. Der Server steht in Deutschland. Der Datenstranfer erfolgt verschlüsselt nach den gängigen Verschlüsselungsstandards (SSL/TLS) und der Datenzugriff erfolgt ausschliesslich passwortgeschützt. Jeder Benutzer erhällt beim Kauf des Produktes seine eigenen Zugangsdaten, mit denen er von jedem Smartphone oder jedem PC mit Internetanschluss die Verbindung zu seinem MicroGuard-IoT System aufnehmen kann.
Für die Bedienung des Systems, zur Parameteränderung und zur Visualisierung der Daten, wie Statusberichten, Sensordatenverläufen und Zustandsberichten wird eine eigens im Haus wiatec entwickelte Web-App verwendet. Die App kann unabhängig vom Betriebssystem auf Android, iOS oder Windows/Unix Systemen gleichermaßen verwendet werden unter der Voraussetzung, dass ein aktueller JavaScript-fähiger Webbrowser verwendet wird.
Systemaufbau und externe Anschlüsse
Das MicroGuard-IoT System basiert auf einer Plattform, die einheitliche Gehäuseform mit gleichen Abmessungen für alle Produktvarianten gewährleistet. Produkte mit verschiedenen Funktionen unterscheiden sich jedoch in Art und Anzahl verfügbarer Sensoren bzw. in Art und Anzahl externer Anschlüsse. Nicht alle Funktionen sind in allen Produkvarianten verfügbar, jedoch sind einige Funktionen durch Hinzunahme von Sensoren bzw. Anschlüsse miteinander kombinierbar. Falls eine gewünschte Kombination von Funktionen in einem Produkt nicht vorhanden ist, bitte ich um Kontanktaufnahme mit detailierter Funktionsbeschreibung. Ein technischer Experte prüft die gewünschte Kombination von Funktionen und meldet sich mit einem Systemvorschlag, falls eine Lösung technisch mit vertretbarem Aufwand realisierbar ist.
Beispiel: Anschlüsse des Steuermoduls für Standheizung

Die Anschlüssanleitungen für die einzelnen Produkte sind jeweils in der Artikelbeschreibung zu finden. Gesonderte Anleitungen hierfür werden nicht zur Verfügung gestellt.
MicroGuard-IoT Produktlizenz
Das MicroGuard-IoT Modul ist in unterschiedlichen Hardware-Varianten erhältlich, die die Hauptfunktionalität bestimmen. Die Hauptfunktionalität ist auch diese, für die die Nutzerlizenz beim Kauf erworben wird. Gewisse zusätzliche Funktionalitäten lassen sich, entweder durch Hinznahme externer Sensoren (separater Kauf) oder durch Erwerb zusätzlicher Nutzerlizenzen kombinieren.
Welche Funktionalitäten miteinander kombinierbar sind, erfahren Sie in der jeweiligen Artikelbeschreibung zu Ihrem Grundmodul, wo diese zusätzlichen Funktionen grundsätzlich auch beim Kauf hinzubuchbar sind. Bei einer entsprechenden Buchung wird die gebuchte Funktion am Modul und in der App freigeschaltet und kann verwendet werden. Die Freischaltung erfolgt wenige Tage nach Buchung und wird per Mail bestätigt. In einigen Fällen ist dabei ein Software-Update am Modul notwendig, der per App durch den Benutzer ausgeführt werden muss. Der Software-Update kann zu einem erhöhten Datenverbrauch der eingesetzten SIM-Karte (bzw. WiFi/WLAN) führen. Der zusätzliche Datenverbrauch entspricht dem Umfang der neuen Firmware für das Modul. Die eingesetzte SIM-Karte muss über ein hinreichendes Datenvolmen verfügen, um den Update ausführen zu können.
Bei Fragen bitten wir um Kontakt per Mail / Kontaktformular.
Bequeme Steuerung per App
Mit dem MicroGuard-IoT Modul von wiatec haben Sie den optimalen Komfort bei der Fernsteuerung, der Änderung von Parametern und der Darstellung der Daten. Das Konzept der App basiert auf einer intuitiven Bedienung, die kaum zusätzlicher Erklärung bedarf. Die Bedeutung der einzelnen Manüpunkte und Parameter wird dennoch innerhalb der App genau erklärt, so dass man auf keine zusätzliche Dokumentation zurückgreifen muss. Um die Erklärungen zu sehen, drücken Sie einfach die Schrift neben der Funktion, über die Sie mehr erfahren wollen.
Weiter unten sind am Beispiel der Fernbedienung für Standheizungen die wesentlichen Elemente der App dargestellt. Im Hauptmenü ist das Ein- und Ausschalten der Standheizung per Knopfdruck möglich. Die Darstellung des Ein-/Ausschaltknopfes gibt eine unmittelbare Rückmeldung über den Schaltzustand. Die aktuellen bzw. geplanten Ein- und Ausschaltzeiten können direkt abgelesen werden.

Um den Ein- und Ausschaltzeitpunkt planen zu können, gibt es ein weisteres Menü, das man mit dem Drücken auf das Bild neben "Plan START" erreicht. Hier können die Zeiten entsprechend eingestellt werden - die Datums und Zeitangaben müssen natürlich in Zukunft liegen. Die gewählten Zeitpunkte werden nach Rückkehr auf die Hautseite mit dem Schaltknopf unterhalb des Knopfes angezeigt.

Jede verfügbare Anwendung hat ihre eigenen Bedienoberflächen, die dann zum Vorschein kommen, wenn das entsprechende Produkt bzw. die entsprechende Produktlizenz erworben wurde.
Inbetriebnahme und Systemeinrichtung
Die Inbetriebnahme von MicroGuard-IoT wird bei der Auslieferung sweit vorbereitet, dass Sie als Kunde den geringsten Aufwand haben und sehr schnell Ihre gewünschten Funktionen genießen können.
- Die Produkte mit Mobilfunk-Konnektivität über den Anbieter 1NCE sind sofort mit dem Netz und unserem Server verbunden, sobald sie an die Stromversorgung angeschlossen werden. Wenn ein anderer Mobilfunkanbieter genutzt werden soll (technische Vorbereitung dafür ist vorgesehen), wird der Startvorgang durch die Netzeinstellungen für den Anbieter erweitert. Die Anleitung dafür findet sich zu gegebener Zeit weiter unten.
- Bei den Produkten, die für die Nutzung eines lokalen WLANs (WiFi) ausgelegt sind, haben wir eine einfache Prozedur adaptiert, die eine schnelle Übergabe der Netzwerkparameter an das System erlaubt. Auch hier eine Inbetriebnahme für jeden mit nur gundlegenden Kenntnissen in der Handhabung von Mobilfunktelefonen möglich.
Erste Inbetriebnahme für Mobilfunk-Produkte (cellular)
Sofern Sie die 1NCE SIM-Karte von uns bezogen haben, sind keine weiteren Schritte für die Inbetriebnahme notwendig. Das Modul meldet sich automatisch am verfügbaren Netztwerk (im In- wie im Ausland) an, ohne dass es besonderer Einstellungen bedarf. Sollten Sie eine eigene SIM-Karte verwenden, so verweisen wir auf eine besondere Beschreibung weiter unten "Inbentriebnahme mit SIM-Karten von Drittanbietern".
Erste Inbetriebnahme für WLAN/WiFi Produkte
Die Übergabe der WLAN/WiFi Parameter (Netzwerkname und Passwort) erfolgt mit Hilfe eines in dem Ziel-WLAN angemeldeten Smartphone. Das Modul erzeugt dabei einen Hotspot, mit dem Sie sich mit Ihrem Smartphone verbinden, um das gewünsche lokale WLAN auszuwählen und das Passwort zu übermitteln. Folgende Schritte sind hierzu durchzuführen:
- Öffnen Sie die WLAN/WiFi Einstellungen Ihres Smartphones.
- Suchen Sie das Netzwerk mit dem Namen "MG-wifi-setup" und wählen Sie es aus.
- Geben Sie das Passwort "12345678" ein und verbinden Sie das Smartphone mit dem Netzwerk.
- Nachdem die Verbindung aufgebaut wurde, erscheint eine Liste der verfügbaren WLAN/WiFi Netzwerke. Sollte das nicht der Fall sein, gehen Sie zu Ihrem Internet-Browser und geben eine beliebige Webadresse ein, z.B. www.wiatec.eu. Sie werden auf die WLAN/WiFi Auswahl umgeleitet. Wählen Sie das gewünschte Netzwerk aus und tippen Sie das entsprechende Passwort ein. Kontrollieren Sie die Eingaben. Falsche Daten führen zu fehlender Verbindung und Komplikationen bei der Inbetriebnahme.
- Wenn Sie die Eingaben bestätige, wird der Hotspot wieder abgeschaltet und das Modul verbindet sich mit dem ausgewählten lokalen Netzwerk. Das Modul ist nun über WLAN/WiFi verbunden. Nun kann die Applikation gestartet und die Steuerung aufgenommen werden (siehe "Bequeme Steuerung per App").
Erster Start der App
Auf Ihrer Auftragsbestätigung und Ihrer Rechnung finden Sie sowohl den Link zu der WebApp (webbasierta App), auf die Sie Zugriff von jedem Smartphone und jedem PC haben, als auch die Zugangsdaten. Beim ersten Aufruf des Links werden Sie nach den Zugangsdaten gefragt. Kopieren Sie die Angaben aus den Dokumenten in die entsprechenden Felder und lassen diese in Ihrem Passwortmanager des Webbrausers speichern, damit diese nicht mehr eingegeben werden müssen.
Sie gelangen als erstes zu einer Informations- und Bestätigungsseite, auf der Sie sich einverstanden erklären, dass wir (die wiatec gmbh) die mit der Verwendung der Steuerung und der App notwendigen Daten speichern und verarbeiten dürfen. Ohne diese Einverständnis is die App-Nutzung technisch nicht möglich. Bestätigen Sie die Datenspeicherung/-Verarbeitung, so gelangen Sie zum Hauptmenü mit der Produktauswahl. Gehen Sie dort auf das von Ihnen erworbene Produkt und genießen die Funktionalität Ihres neuen digitalen Helfers.
Inbentriebnahme mit SIM-Karten von Drittanbietern
Sofern Sie die SIM-Karte von uns bezogen haben, ist das System sofort mit dem Netz und unserem Server verbunden, sobald es an die Spannungsversorgung angeschlossen wird. Dies ist genau Ihr Vorteil, denn Sie müssen keine besondere Einrichtung vornehmen.
Wenn ein anderer Mobilfunkanbieter genutzt werden soll, so müssen die Daten für den Access Point (APN), sowie User / Password für Ihren Anbieter der SIM-Karte dem System mitgeteilt werden. Wir haben eine Prozedur zur Übermittlung dieser Daten implementiert. Diese sieht wie folgt aus:
- Nach Anschluss der Spannungsversorgung startet das Modul im APN-Setup Modus. Dieser Modus wird durch ein regelmässiges Klacken des eingebauten Relais (nur Modul für Standheizung) und ein Blinken der blauen und der gelben (falls vorhanden) LED im Sekundentakt signalisiert.
- Öffnen Sie die WLAN/WiFi Einstellungen Ihres Smartphones.
- Suchen Sie das Netzwerk mit dem Namen "MG-APN-Setup" und wählen Sie es aus. Die Eingabe eines Passworts ist nicht erforderlich.
- Bei den meisten Handys öffnet sich dann automatisch eine Platform zur Eingabe der APN-Daten. Sollte keine Platform zu sehen sein, so öffnen Sie den Internet-Browser und geben die IP-Adresse 192.168.4.1 ein.
- Drücken Sie im angezeigten Portal auf "Setup" und geben Sie die Daten für APN / User / Password ein. Schliessen Sie den Vorgang mit "Save" ab.
- Das Modul startet neu in dem vorgesehenen Mobilfunkmodus und verbindet sich mit dem Anbieter Ihrer SIM-Karte. Die Daten für APN / User / Passwd werden dauerhaft im System gespeichert. Eine erneute Eingabe wird nur notwendig, wenn Sie zu einem anderen Anbieter wechseln wollen oder sich die Karte nicht mit dem Netz verbinden kann (APN / User / Passwd nicht korrekt).
Sollte ein Wechsel der SIM-Karte notwendig sein, so kann die Übergabe der Parameter im System-Menü durch Drücken des Knopfes "Reset APN" initiiert werden.
Die Benachrichtigungen
Zur Zeit werden Benachrichtigungen über E-Mail und discord unterstützt. Wir arbeiten intensiv an der Einführung von Benachrichtigungen über WhatsApp. Die Verfügbarkeit wird zu gegebener Zeit über unser WhatsApp-Kanal veröffentlicht.
Generell werden Systeme werkseitig so vorbereitet, dass die Bencharichtigungen per Mail eingeschaltet sind. Ihre Mailadresse aus der Kaufabwicklung wird in der Versandvorbereitung bereits eingetragen. Um die Mail-Adresse zu setzen oder zu ändern, gehen Sie aus dem Haupmenü (Produktwahl) in den Bildschirm für Systemeinstellungen (Werkzeugsymbol links unten) und tragen die Mail-Adresse(n) - ggfl. auch die discord ID - in die entsprechenden Zeilen im unteren Teil des Menüs:

Eine Anleitung, wie man seine eigene discord ID findet, ist hier.
Vergessen Sie nicht, die Eintragung durch Drücken des Häkchensymbols zu bestätigen.
Um Benachrichtigungen über Discord zu erhalten, müssen Sie zuerst dem Server "wiatec messenger" beitreten. Loggen Sie sich dafür in Ihren Discord-Account ein oder registrieren Sie sich neu. Auf der Startseite Ihres Discord-Accounts drücken Sie das "+" Symbol, um einen Server hizuzufügen.
In dem Popup-Fenster ganz unten wählen Sie “Tritt einem Server bei”. In die sich dann öffnende Maske tragen Sie den Einladungslink ein. Den Server-Einladungslink finden Sie auf Ihrer Rechnung.
Drücken Sie “Server beitreten”. Nun können Sie Ihre Discord-ID in die wiatec-App eintragen. Die Nachrichten werden über den Discord-Server an Sie weitergeleitet.
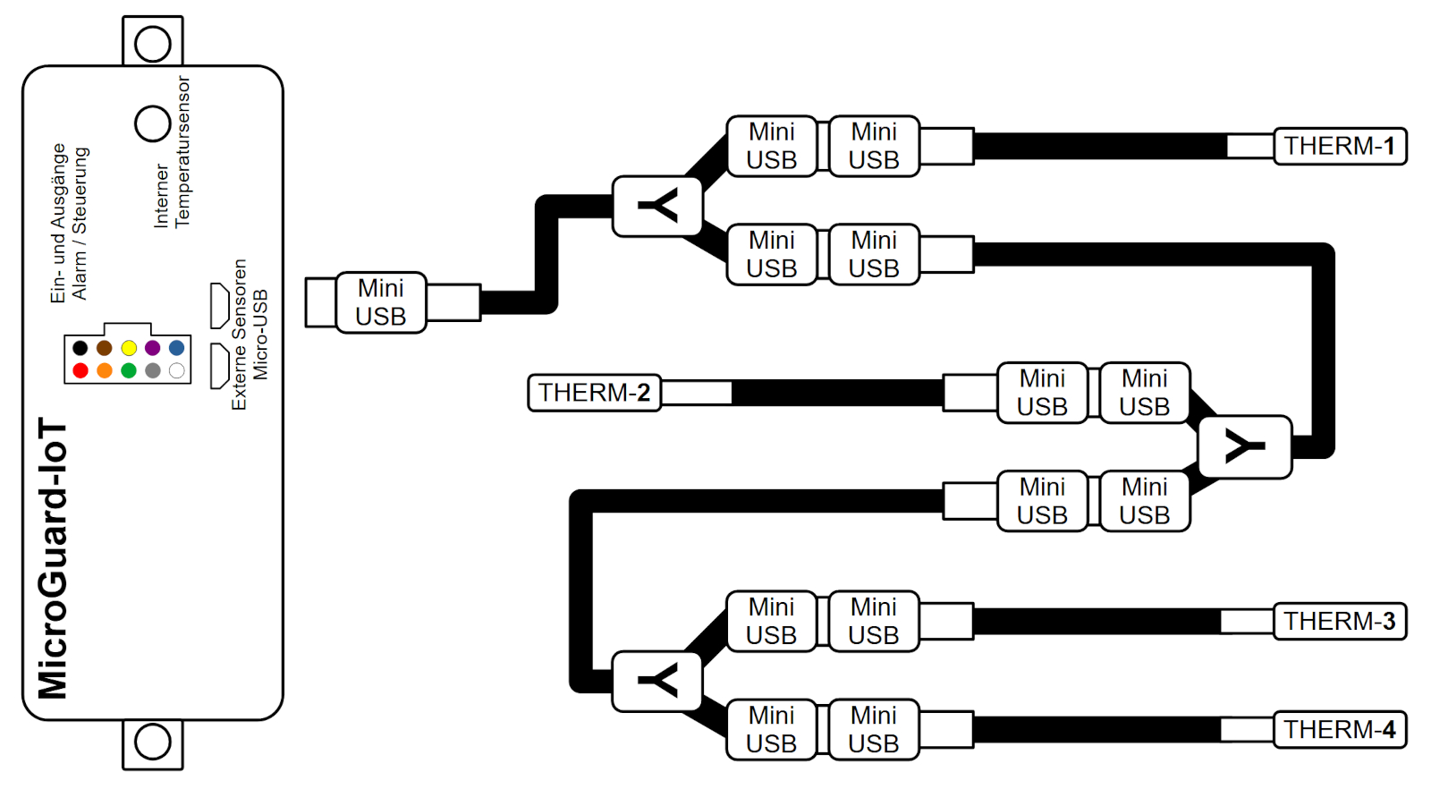
Der Temperaturwächter - bis zu 4 externe Sensoren
Viele unserer Produkte sind mit einem Tempratursensor ausgestattet. In einigen Fällen, wie z.B. bei dem einfachsten Temperaturwächter, handelt es sich um einen intern im Gehäuse verbauten Temperatursensor. Dieser misst durch die nach außen ausgeführte Metallkappe die Umgebungstemperatur, jedoch mit einer gewissen Verzögerung. Zusätzlich zum internen Tempertursensor können auch bis zu 4 externe Temperatursensoren angeschlossen werden. Im Bild unten sehen wir den Verlauf der Temperatur am Sensor "Top" über die letzten 24 Stunden.

In dem Einstellungsbildschirm für die Temperatursensoren, zu dem wir mit dem "Einstellungen"-Symbol gelangen, lassen sich für jeden Sensor die Kallibrierungswerte (Temperature Offset) sowie das obere (Upper) und untere (Lower) Limit für eine Benachrichtigung einstellen. Hier können Sie jedem ausgewählten Sensor einen eindeutigen Namen zuordnen und die Benachrichtigungen einschalten (Alarm Enabled).
Im oberen Teil des Bildschirms können Sie zudem das Abfrageinterval für die Temperaturüberwachung sowie den Sensor auswählen, der in dem Diagramm mit historischen Daten dargestellt wird (Top Page Display). Das Bild unten zeigt die einzelnen Menüs.

Bis zu 4 externe Sensoren können an ein Modul angeschlossen werden. Jeder der Sensoren kann separat angezeigt, die Alarmpegel (Low/High) und Kallibrierung können separat eingestellt werden. Direkt am Modul gibt es zwei Micro-USB Schnittstellen, an die zwei Sensoren angeschlossen werden können. Zudem können sowohl Micro-USB Verlängerungen als auch Micro-USB Y-Kabel verwendet werden, um weitere Sensoren anszuschließen. Beispiele für die Konfigurationen mit 2 und 4 sensoren sind in den Bildern weiter unten dargestellt.


Beschaltung und Nutzung der externen Alarm-Eingänge

| Farbe | Funktion |
|---|---|
| Rot | +12 V Versorgungsspannung |
| Schwarz | Masse (Ground) |
| Grün | externer Alarmeingang, Ruhezustand LOW |
| Gelb | externer Alarmeingang, Ruhezustand HIGH |
Der aktuelle Zustand der Alarmeingänge wird in einem separaten Manü angezeigt, das über die Produktauswahl zugängig ist ("Alarm Control"). Hier werden die Alarmzustände und die aktuellen Pegel der beiden Alarmeingänge gelistet.
Nach Auswahl des Radio-Buttons "Config" einscheinen zusätzlich Einstellungsfelder, mit denen sowohl die Alarmpegel (oder Pegeländerung) als auch die Benachrichtigungstexte der Meldungen für die Eregnisse LOW, HIGH und CHANGE configuriert werden können. Diese Texte werden in allen Benachrichtigungskanälen entsprechend übernommen. So kann man je nach Alarmfunktion individuelle und leicht verständliche Meldungen festlegen.
STANDBY- und ULTRA-STRANDBY Modus: Strategien für geringen Stromverbrauch
Unser IoT-System unterstützt verschiedene Einstellungen, die - je nach Anwendungsfall - eine deutliche Reduktion der Stromaufnahme und damit längere Laufzeiten bei Batteriebetrieb ermöglichen.
Der STANDBY-Modus:
Dieser Modus erlaubt eine Reduktion der Stromaufnahme um die Hälfte des sonst benötigten durchschnittlichen Stromes bei 12V Betriebsspannung (z.B. bei Fernsteuerungen für Standheizung) von etwa 13mA auf 15mA. Dabei reagiert das System grundsätzlich innerhalb von maximal 10 Sekunden, was sich in einer leichten Verzögerung der Antworten widerspiegelt. Um diesen Modus einzuschalten, tragen Sie bei "Sleep Period [hh:mm]" 00:00 und bei "Sleep Time [days]" 0 ein un legen Sie den Schalter "Sleep Enable" auf ON (Schalter erscheint blau). Das Bild sieht dann so aus:
Der ULTRA-STANDBY-Modus:
Im ULTRA-STANDBY-Modus wir das Modul für die vorgegebene Zeit fast vollständig heruntergefahren. Die Verbindung zum Netz wird gekappt - das Modul ist während dieser Zeit nicht erreichbar. Das gute ist: Der benutzer kann über die App bestimmen, wie lange das Modul im ULTRA-STANDBY verweilt. Es gibt hier zwei Möglichkeiten:
-
Das Modul soll weniger als 24h schlafen:
Stellen Sie zunächst Sleep Time [Days] auf "0".
Stellen Sie Sleep Period [hh:mm] auf die Zeit, in der die Kommunikation ruht und das Modul wenig Energie verbraucht. Die eingestellte Aufwachzeit wird in der App bei "Wake-up Date/Time" angezeigt.
-
Das Modul soll jeden Tag (oder alle x Tage) um die gleiche Uhrzeit aufwachen, Nachrichten prüfen und Messwerte versenden:
Stellen Sie zunächst Sleep Time [Days] auf "x" (Tage).
Die Abzeige springt von "Sleep Period" auf "Wakup Time [hh:mm]". Das ist die feste Uhrzeit, bei der das System alle x Tage aufwacht. Stellen Sie diesen Parameter auf Ihre gewünschte Tageszeit ein. Die eingestellte Aufwachzeit wird in der App bei "Wake-up Date/Time" angezeigt.
WICHTIG!
Den Schalter zum Aktivieren und Deaktivieren des STANDBY-Modus sowie die Einstellungen zur STANDBY-Zeiten können auch dann verändert werden, wenn das Modul im ULTRA-STANDBY verweilt. Beim nächsten Aufwachen werden diese Parameter automatisch an das Modul übertragen und werden wirksam. Man kann z.B. den STANDBY-Modus abschalten - nach dem nächsten Aufwachen bleibt das Modul dauerhaft an.
Firmware Over-The-Air "OTA"-Update
Unser IoT-System ermöglicht ein Firmware-Update über eine WiFi/WLAN Verbindung, ohne dass Sie das Modul an uns zurückschicken müssen.
Um zu prüfen, ob eine neue Firmware-Version verfügbar ist, gehen Sie aus dem Haupmenü (Produktwahl) in den Bildschirm für Systemeinstellungen (Werkzeugsymbol links unten) und prüfen die Anzeige in der Zeile "Firmware". Falls dort ein Icon mit der Aufschrift "UPDATE" zu sehen ist, ist eine neue Firmware verfügbar. Wenn Sie auf dieses Icon drücken, wird der Update-Vorgang angestoßen.
Falls Sie eine WiFi / WLAN - Produkt erworben haben, wird das Update unmittelbar ausgeführt.
Falls Sie ein Produnkt mit Mobilfunk-Datenübertragung (SIM-Karte) erworben haben, benötigen Sie ein WiFi / WLAN - Netzwerk, um das Update durchführen zu können. In diesem Fall werden Ihnen detailierte Instruktionen angezeigt, wie Sie ein verfügbares Netzwerk für das Update nutzen können. Sie müssen dem System den Netzwerknamen und das Netzwerk-Passwort über eine Auswahl / Eingabemaske zur Verfügung stellen, damit eine WLAN-Verbundung zum Server aufgebaut werden kann.
Nach Abschluss des Software-Updates startet das Modul automatusch in dem gewohnten Verbindungsmodus (WiFi oder Mobilfunk). Die neue Firmware kann nun verwendet werden.
Abmessungen und technische Daten
Die Abmessungen:
